- Главная
- Комплектующие
- Точные измерения и контроль процесса обработки
- Датчики КИМ
- Контактно-измерительные системы
- PH10M-iQ PLUS приводная головка с подразумеваемой калибровкой RENISHAW
PH10M-iQ PLUS приводная головка с подразумеваемой калибровкой RENISHAW
Серия приводных головок PH10 PLUS повышает производительность за счёт предоставления автоматизированным КИМ дополнительной возможности программно-управляемой переориентации датчиков. Это позволяет выполнять измерения элементов под различными углами без необходимости частой смены щупов, занимающей много времени.
Подразумеваемая калибровка позволяет PH10M-iQ PLUS получить доступ ко многим положениям без необходимости повторной калибровки каждого из них.
Особенности датчика
- PH10M-iQ PLUS поставляется с файлом калибровки, созданным во время изготовления.
- Затем данный файл используется для генерирования измерительных процедур на КИМ.
- После быстрой начальной калибровки PH10M-iQ PLUS можно использовать комбинацию головки и датчика с любой ориентацией без повторной калибровки.
- PH10M-iQ PLUS обеспечивает повышение производительности за счёт сокращения затрат на калибровку.
- Сканирующие датчики можно использовать только в обычном режиме работы PH10 с PH10M-iQ PLUS; в контактных триггерных датчиках можно использовать метод подразумеваемой калибровки.
Магазины для смены
| Повторяемость | 0,4 мкм (2σ), заданной на расстоянии 62 мм от центра вращения оси А |
| Угловое перемещение | ось А от 0° до 105° с шагом 7,5° ось В -180° до 180° с шагом 7,5° |
| Общее количество позиций | 720 |
| Максимальный крутящий момент на выходе | 0,45 Н·м |
| Максимальный удлинитель | 300 мм с помощью удлинителя PEL4 300 мм с помощью удлинителя PAA3 450 мм с помощью удлинителя PAACF (спецзаказ) |
| Размеры | 117 х 62 мм |
| Вес | 645 г |
| Монтаж | в хвостовик |
| Крепление датчика | Renishaw Autojoint (многожильный) резьбовые щупы M8 могут использоваться с переходником PAA |
| Контроллер | PHC10-3 PLUS |
| Блок управления головкой | HCU1 или MCUlite-2, MCU5 или MCU W |
| Температура | рабочая от 10°C до 40°C хранения от -10°C до 70°C |
Для заказов на сумму более 50 000 руб. доставка включена в стоимость.
В других случаях рассчитывается исходя из веса отправления и региона доставки.
Возможна доставка любой удобной для заказчика ТК
Сроки доставки от 1 до 3 дней по Центральному региону
По умолчанию мы работаем с двумя курьерскими компаниями:
Major — российская компания, занимающаяся продажей автомобилей и перевозками грузов. Крупнейший, наряду с «Рольфом», автодилер страны.
DPDgroup — международная служба экспресс-доставки. В среднем ежедневно доставляет более 5 миллионов посылок. Работает под торговой марками DPD.
Это наши проверенные партнеры. Однако если вы предпочитаете работать с другой курьерской службой, у нас нет ограничений. Просто сообщите нам об этом. Мы согласуем все условия и отправим заказ с полным комплектом сопутствующей документации.
Как оплатить?
Оплата принимается по безналичному расчету. После согласования заказа мы выставляем счет на оплату. Заказ считается оплаченным после поступления суммы заказа на расчетный счет ООО «Эффективное производство».
Как получить?
География доставки — вся Россия. При перевозке грузы подлежат страхованию. Обычно доставка входит в стоимость продукции.
Размеры датчика

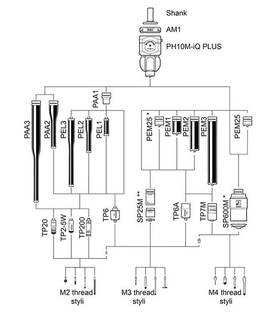
Варианты исполнения

Приобретая продукцию у нас, вы можете быть уверены, что получаете оригинальное сертифицированное оборудование, комплектующие и оснастку.
На весь представленный ассортимент распространяется гарантия завода-изготовителя. Для каждого конкретного изделия производитель устанавливает определенный гарантийный срок. Обычно он составляет 12-36 месяцев.
Согласно п. 1 ст. 471 Гражданского кодекса РФ гарантийный срок на товар исчисляется с момента фактической передачи его покупателю.
При наступлении гарантийного случая и отсутствии следов некорректной эксплуатации, осуществляется замена неисправного оборудования в соответствии с Законом о защите прав потребителей.
Если утрата функциональности изделия связана с механическими повреждениями, попытками модификации или ремонта, нецелесообразным использованием, то компания ООО «Эффективное производство» не несет за это ответственности, а действие гарантийных обязательств прекращается.
Иногда мы сталкиваемся с ситуацией, когда подлинные запчасти работают некорректно, т.к. нарушена технология их установки. В таком случае наши инженеры удаленно помогают клиентам наладить эксплуатацию.



































